● 精度高,抗偏置负载能力强。
● 易于安装,防护等级为IP66。
● 可以提供自定义规格。
● 用于机械臂的精密控制、表面研磨和抛光、加工中心的精密雕刻以及医疗设备的精密测量。
● 应用领域:汽车装配、自动化装配、3C产品检测、新能源产品装配、医疗检测、机器人、模具装配等工业检测、测量和控制系统。

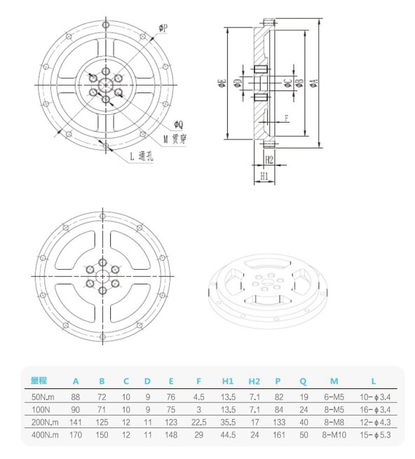
| 额定范围 | 50100200400 N.m (可自定义其他测量范围) | 绝缘电阻 | ≥5000 MΩ/100VDC |
| 额定输出 | 1.0~1.5 mV/V | 励磁电压 | 5~12V |
| 零点平衡 | ±3%F.S。 | 最大励磁电压 | |
| 非线性 | 0.3%F.S。 | 温度补偿范围 | -10~60℃ |
| 滞后误差 | 0.5%F.S。 | 工作温度范围 | -20~80℃ |
| 可重复性 | 0.3%F.S。 | 安全负载(E L) | 120%F.S。 |
| 蠕变(30分钟) | 0.3%F.S。 | 破坏载荷(E d) | 150%F.S。 |
| 灵敏度漂移温度系数 | 0.05%F.S./10℃ | 电缆线尺寸 | φ3×4000毫米 |
| 零点漂移温度系数 | 0.05%F.S./10℃ | 布料 | |
| 输入电阻 | 力的方向 | ||
| 输出电阻 | 保护 | IP65 |
力的方向 | 接线方法 |
![]() | ![]() |