● 静态扭矩传感器
● 结构紧凑,便于安装
● 防护等级:IP65
● 用于测量静态、非连续旋转扭矩值。
● 应用领域:汽车装配、自动化装配、3C产品检测、新能源产品装配、医疗检测、机器人、模具装配等工业检测、测量和控制系统。

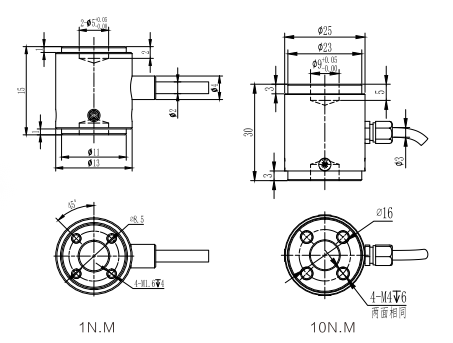
| 额定范围 | 1N.m,10N.m | 绝缘电阻 | ≥5000米Ω/100VDC |
输出灵敏度 | 1.0%±20%mV/V,1.0-1.5mV/V | 励磁电压 | 5伏 |
零输出 | ±3%mV/V | 最大励磁电压 | 15伏 |
| 非线性 | 0.3-0.5%F.S。 | 温度补偿范围 | -10~40℃ |
| 滞后误差 | 0.3~0.5%F.S。 | 工作温度范围 | -20-90℃ |
| 可重复性 | 0.2~0.5%F.S。 | 安全过载 | 150%F。S |
| 蠕变(30分钟) | 0.2~0.5%F.S。 | 极限过载 | 200%F。S |
| 灵敏度漂移温度系数 | 0.05%F/10℃ | 保护 | IP65 |
| 零点漂移温度系数 | 0.05%F/10℃ | 输入电阻 | 1100±20Ω |
输出电阻 | 1000±10Ω | ||
力的方向 | 接线方法 |
![]() | ![]() |