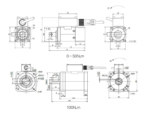
● 稳定性好,抗弯能力强,使用寿命长。静态扭矩传感器。
● 结构紧凑,便于安装。
● 防护等级:IP65。
● 用于测量静态、非连续旋转扭矩值。专为专业螺丝刀、螺丝拧紧等而设计。
● 应用领域:汽车装配、自动化装配、3C产品检测、新能源产品装配、医疗检测、机器人、模具装配等工业检测、测量和控制系统。

| 额定范围 | 5,10,20,5100 N.m | 绝缘电阻 | ≥5000 MΩ/100VDC |
| 额定输出 | -10伏~+10伏 | 励磁电压 | 24伏 |
| 零点平衡 | ±0.05 mV/V | 最大励磁电压 | |
| 非线性 | 0.3%F.S。 | 温度补偿范围 | -10~60℃ |
| 滞后误差 | 0.3%F.S。 | 工作温度范围 | -20~80℃ |
| 可重复性 | 0.3%F.S。 | 安全负载(E L) | 150%F.S。 |
| 蠕变(30分钟) | 0.3%F.S。 | 破坏载荷(E d) | 200%F.S。 |
| 灵敏度漂移温度系数 | 0.05%F.S./10℃ | 电缆线尺寸 | φ5×4000毫米 |
| 零点漂移温度系数 | 0.05%F.S./10℃ | 布料 | 合金钢 |
| 输入电阻 | 780±20Ω | 力的方向 | 逆时针为正 |
| 输出电阻 | 700±10Ω | 保护 | IP65 |
力的方向 | 接线方法 |
![]() | ![]() |