● 外形小巧,变形最小,体积小,测量范围大。
● 不锈钢材料。
● 高动态响应频率。
● 防护等级:IP65,可定制。
● 用于汽车压入、自动化组装、3C产品检测、新能源产品组装、医疗检测等应用
● 应用领域:汽车装配、自动化装配、3C产品检测、新能源产品装配、医疗检测、机器人、模具装配等工业检测、测量和控制系统。

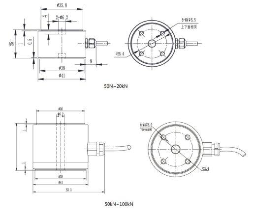
| 额定范围 | 0.05,0.1,0.2,0.5,1,2,5,10,20,50100千牛 | 绝缘电阻 | ≥5000 MΩ/100VDC |
| 体贴 | 2.0±10%mV/V | 励磁电压 | 5~15V |
| 零点平衡 | ±0.05%F.S。 | 最大励磁电压 | 20伏 |
| 非线性 | 0.1%F.S。 | 温度补偿范围 | -10~60℃ |
| 滞后误差 | 0.1%F.S。 | 工作温度范围 | -20~80℃ |
| 可重复性 | 0.1%F.S。 | 安全负载(E L) | 150%F.S。 |
| 蠕变(30分钟) | 0.05%F.S。 | 破坏载荷(E d) | 200%F.S。 |
| 灵敏度漂移温度系数 | 0.05%F.S./10℃ | 电缆线尺寸 | Φ3×4000毫米 |
| 零点漂移温度系数 | 0.05%F.S./10℃ | 布料 | 不锈钢 |
| 输入电阻 | 385±10 Ω | 单位重量(G) | 0.3千克 |
| 输出电阻 | 350±10 Ω | 保护 | IP66 |
力的方向 | 接线方法 |
![]() | ![]() |