您的位置:首页 / 产品中心 / 力传感器 / 拉压力

拉压力

DUT317柱式拉压力传感器

产品分类:拉压力

T317用于测量拉伸力和压缩力。广泛应用于拉伸/推力测试、焊接力测量、表面张力测量等应用。这种紧凑而坚固的产品具有20-2000N的范围。由于其高动态响应频率,它在需要测量张力和压缩力的各种应用中提供快速测量。
0519-83877922

特性和用途

● 外形小巧,变形最小,安装方便,负载平稳。

● 不锈钢或铝合金材料。

● 双向拉伸和压缩。

● 高动态响应频率。

● 用于推拉力测量、各种工业称重系统等。

● 主要用于汽车压入、自动化装配、3C产品检测、新能源产品装配、医疗检测、机器人、模具装配等工业检测、测量和控制系统。

● 应用领域:汽车装配、自动化装配、3C产品检测、新能源产品装配、医疗检测、机器人、模具装配等工业检测、测量和控制系统。

 


 

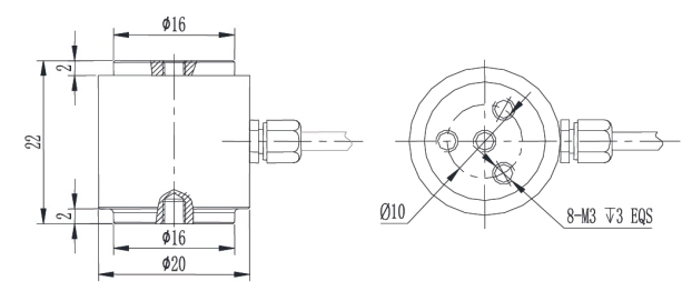
安装尺寸

T317 柱式拉压向传感器 1.png


 

参数表

额定范围20,5010030050010002000 N绝缘电阻≥5000 MΩ/100VDC
体贴2.0±10%mV/V励磁电压5~12V
零点平衡±2%F.S。最大励磁电压15伏
非线性0.05%F.S。温度补偿范围-10~60℃
滞后误差0.05%F.S。工作温度范围-20~80℃
可重复性0.05%F.S。安全负载(E L)150%F.S。
蠕变(30分钟)0.05%F.S。破坏载荷(E d)200%F.S。
灵敏度漂移温度系数0.05%F.S./10℃电缆线尺寸Φ3×4000毫米
零点漂移温度系数0.05%F.S./10℃布料不锈钢
输入电阻650/350±10 Ω单位重量(G)0.1千克
输出电阻650/350±10 Ω保护IP66

 


 

力的方向

接线方法

T317 柱式拉压向传感器 2.pngT317 柱式拉压向传感器 3.png


如果您想了解更多信息,请联系我们!

江苏省常州市新北区新桥街道汉江西路91号B612-59室