● 高度低,变形小,外形尺寸小。
● 采用不锈钢材料制成,精度高。
● 防护等级:IP68,适用于户外或恶劣环境。
● 精度高、长期稳定、可靠性好、抗疲劳、使用频率高、蠕变性能好、温度漂移低、动态响应频率高。
● 用于汽车压装、自动化装配、3C产品检测、新能源产品装配、医疗检测、机器人。也常用于仓库、筒仓和反应器中的称重,具有较低的高度和稳定性。
● 应用领域:汽车装配、自动化装配、3C产品检测、新能源产品装配、医疗检测、机器人、模具装配等工业检测、测量和控制系统。

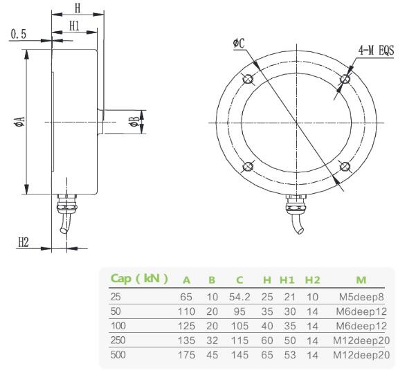
| 额定范围 | 25,50100250500千牛 | 绝缘电阻 | ≥5000 MΩ/100VDC |
| 体贴 | 2.0±1%mV/V | 励磁电压 | 5~15V |
| 零点平衡 | ±0.05%mV/V | 最大励磁电压 | 20伏 |
| 非线性 | 0.5%F.S。 | 温度补偿范围 | -10~60℃ |
| 滞后误差 | 0.3%F.S。 | 工作温度范围 | -10~80℃ |
| 可重复性 | 0.2%F.S。 | 安全负载(E L) | 150%F.S。 |
| 蠕变(30分钟) | 0.2%F.S。 | 破坏载荷(E d) | 200%F.S。 |
| 灵敏度漂移温度系数 | 0.03%F.S./10℃ | 电缆线尺寸 | φ5×5000 毫米 (25~100kN) φ5×10000毫米 (250~500千牛) |
| 零点漂移温度系数 | 0.03%F.S./10℃ | 布料 | 不锈钢 |
| 输入电阻 | 385/780±20Ω | 单线重量G | |
| 输出电阻 | 350/700±10Ω | 保护 | IP68 |
力的方向 | 接线方法 |
![]() | ![]() |