● 高度低,变形小,外形尺寸小。
● 由不锈钢材料制成,可针对高温进行定制。
● 可定制的防护等级:IP67。
● 精度高,长期稳定,可靠性好,抗疲劳,使用频率高,蠕变性能好,温度漂移低。
● 用于汽车压装、自动化装配、3C产品检测、新能源产品装配、医疗检测、机器人。
● 应用领域:汽车装配、自动化装配、3C产品检测、新能源产品装配、医疗检测、机器人、模具装配等工业检测、测量和控制系统。
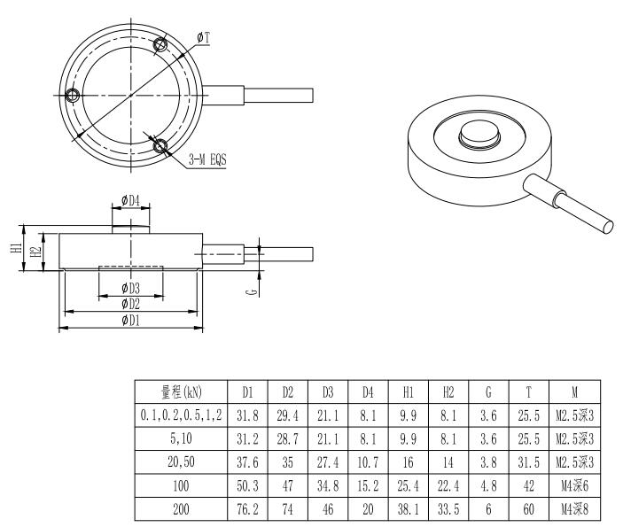
安装尺寸

| 额定范围 | 0.1,0.2,0.5,1,2,5,10, 20,50100200千牛 | 绝缘电阻 | ≥5000 MΩ/100VDC |
| 体贴 | 1.0±20%mV/V | 励磁电压 | 5伏 |
| 零点平衡 | ±5%mV/V | 最大励磁电压 | 51V |
| 非线性 | 1%F.S。 | 温度补偿范围 | -10~60℃ |
| 滞后误差 | 0.5%F.S。 | 工作温度范围 | -20~80℃ |
| 可重复性 | 0.3%F.S。 | 安全负载(E L) | 150%F.S。 |
| 蠕变(30分钟) | 0.3%F.S。 | 破坏载荷(E d) | 200%F.S。 |
| 灵敏度漂移温度系数 | 0.1%F.S/10℃ | 电缆线尺寸 | φ3×4000毫米 |
| 零点漂移温度系数 | 0.1%F.S/10℃ | 布料 | 不锈钢 |
| 输入电阻 | 380/780±20Ω | 缆绳 | Φ3-4m |
| 输出电阻 | 350/700±10Ω | 保护 | IP66 |
力的方向 | 接线方法 |
![]() | ![]() |