● 超薄设计,变形小,尺寸紧凑,测量范围大。
● 由不锈钢材料制成,可针对高温进行定制。
● 可定制的防护等级:IP65。
● 用于汽车压装、自动化组装、3C产品测试、新能源产品组装、医疗测试、机器人、模具组装等工业测试、测量和控制系统。
● 精度高、长期稳定、可靠性好、抗疲劳、使用频率高、蠕变性能好、温度漂移低、动态响应频率高。
● 应用领域:汽车装配、自动化装配、3C产品检测、新能源产品装配、医疗检测、机器人、模具装配等工业检测、测量和控制系统。

| 额定范围 | 501002005001000 N | 绝缘电阻 | ≥5000 MΩ/100VDC |
| 体贴 | 1.5±20%mV/V | 励磁电压 | 5~12V |
| 零点平衡 | ±0.05 mV/V | 最大励磁电压 | 15伏 |
| 非线性 | 0.5%F.S。 | 温度补偿范围 | -10~60℃ |
| 滞后误差 | 0.5%F.S。 | 工作温度范围 | -20~80℃ |
| 可重复性 | 0.2%F.S。 | 安全负载(E L) | 150%F.S。 |
| 蠕变(30分钟) | 0.2%F.S。 | 破坏载荷(E d) | 200%F.S。 |
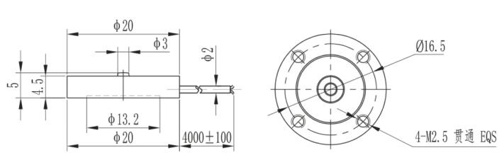
| 灵敏度漂移温度系数 | 0.05%F.S./10℃ | 电缆线尺寸 | φ2×4000毫米 |
| 零点漂移温度系数 | 0.05%F.S./10℃ | 布料 | 不锈钢 |
| 输入电阻 | 800~1100Ω | 单位重量(G) | 0.1千克 |
| 输出电阻 | 800~1100Ω | 保护 | IP65 (可自定义) |
力的方向 | 接线方法 |
![]() | ![]() |