您的位置:首页 / 产品中心 / 力传感器 / 压力

压力

DUT114微型压向力传感器

产品分类:压力

柱式力传感器(微型)为扩展范围的应用提供了紧凑的设计。它包含应变缓冲,以增加对电缆张力的保护。采用金属箔应变片技术,具有优良的低挠度特性。
0519-83877922

特性和用途

● 高度低,变形小,尺寸紧凑,测量范围大。

● 由不锈钢材料制成。

● 可定制的防护等级:IP65。

● 用于汽车压装、自动化组装、3C产品测试、新能源产品组装、医疗测试、机器人、模具组装等工业测试、测量和控制系统。

● 精度高、长期稳定、可靠性好、抗疲劳、使用频率高、蠕变性能好、温度漂移低、动态响应频率高。

● 应用领域:汽车装配、自动化装配、3C产品检测、新能源产品装配、医疗检测、机器人、模具装配等工业检测、测量和控制系统。

 


 

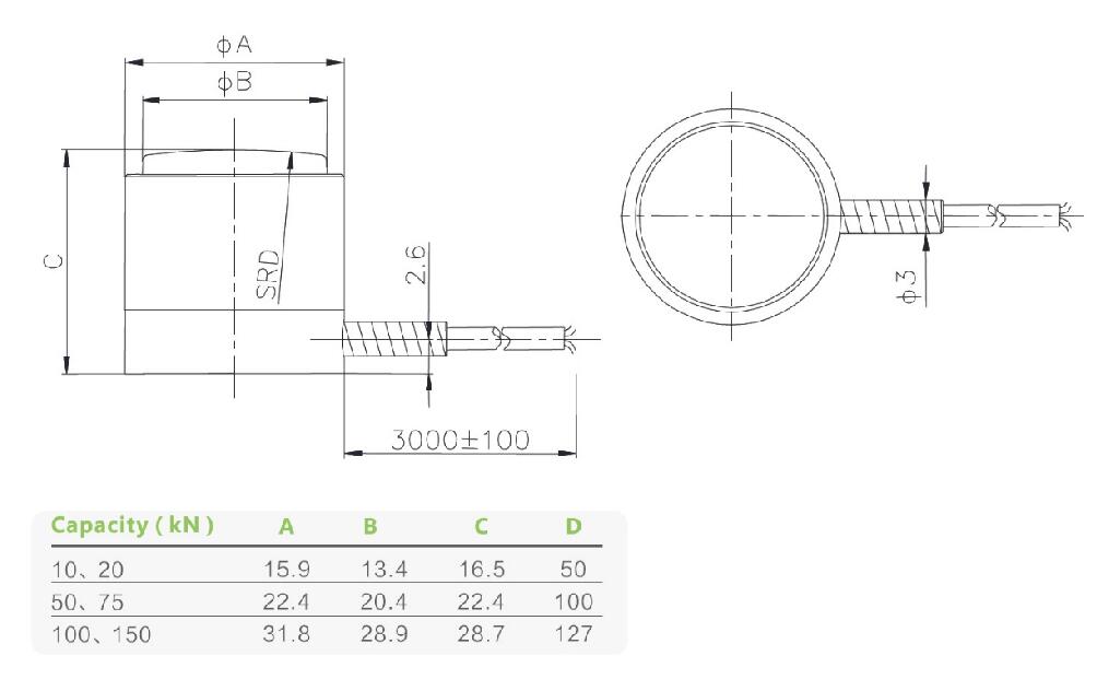
安装尺寸

T114 微型压向力传感器 1.jpg


 

参数表

额定范围10、20、50、75100150千牛绝缘电阻≥5000 MΩ/100VDC
体贴1.5±20%mV/V 励磁电压5~15V
零点平衡±0.05 mV/V最大励磁电压20伏
非线性0.5%F.S。温度补偿范围-10~60℃
滞后误差0.2%F.S。工作温度范围-20~80℃
可重复性0.2%F.S。安全负载(E L)200%F.S。
蠕变(30分钟)0.2%F.S。破坏载荷(E d)300%F.S。
灵敏度漂移温度系数0.05%F.S./10℃电缆线尺寸φ2/φ3×4000毫米
零点漂移温度系数0.05%F.S./10℃布料不锈钢
输入电阻380±20Ω单位重量(G)0.1千克
输出电阻350±10Ω保护IP65
(可自定义)

 

力的方向

接线方法

T114 微型压向力传感器 2.jpgT114 微型压向力传感器 3.png


如果您想了解更多信息,请联系我们!

江苏省常州市新北区新桥街道汉江西路91号B612-59室