● 微型传感器,精度高,具有过载保护功能;
● 由不锈钢制成;
● 双向拉伸和压缩;
● 主要用于各类3C产品按键的力测试、各类开关按键测试、各类插拔力测试、医疗测试等行业测试。
● 高动态响应频率。
● 应用领域:汽车装配、自动化装配、3C产品检测、新能源产品装配、医疗检测、机器人、模具装配等工业检测、测量和控制系统。

| 额定范围 | Fx:50kg Fy:50公斤 | 绝缘电阻 | ≥5000MΩ/100VDC |
| 体贴 | Fx:≈1.0 mV/V Fy:≈1.0 mV/V | 励磁电压 | 5〜12伏 |
| 零点平衡 | ±0.05%F.S。 | 最大励磁电压 | 15伏 |
| 非线性 | 0.2%F.S。 | 温度补偿范围 | -10~40℃ |
| 滞后误差 | 0.2%F.S。 | 工作温度范围 | -20~60℃ |
| 可重复性 | 0.2%F.S。 | 安全负载(E L) | 150%F.S。 |
| 蠕变(30分钟) | 0.5%F.S。 | 破坏载荷(E d) | 200%F.S。 |
| 灵敏度漂移温度系数 | 0.1%F.S/10℃ | 电缆线尺寸 | |
| 零点漂移温度系数 | 0.1%F.S/10℃ | 布料 | |
| 输入电阻 | 350±20 Ω | 单位重量(G) | |
| 输出电阻 | 350±10 Ω | 保护 | IP67 |
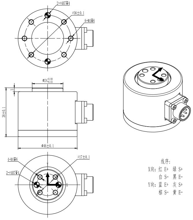
力的方向 | 接线方法 |
![]() | ![]() |