您的位置:首页 / 产品中心 / 力传感器 / 拉压力

拉压力

DUR118B法兰式拉压力传感器

产品分类:拉压力

R118B是一种法兰式传感器,用于测量拉伸力和压缩力。广泛应用于测试和实验设备,称量桥梁、料斗等工业系统秤。它提供0.1到10t的范围。
0519-83877922

特性和用途

● 法兰式传感器;

● 由不锈钢/合金钢制成;

● 双向拉伸和压缩,可定制测量范围;

● 应用于医疗测试、机器人、模具组装和其他工业测试、测量和控制系统;

● 也适用于各种工业称重系统,如测试机、汽车秤、料斗秤等。

● 应用领域:汽车装配、自动化装配、3C产品检测、新能源产品装配、医疗检测、机器人、模具装配等工业检测、测量和控制系统。

 


 

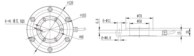
安装尺寸

R118B 拉压双向测力传感器 1.png


 

参数表

额定范围0.1,0.2,0.5,1,2,3,5,10吨绝缘电阻≥5000 MΩ/100VDC
体贴1.5±10%mV/V励磁电压5~12V
零点平衡±2%F.S。最大励磁电压15伏
非线性0.2%F.S。温度补偿范围-10~40℃
滞后误差0.2%F.S。工作温度范围-20~70℃
可重复性0.1%F.S。安全负载(E L)120%F.S。
蠕变(30分钟)0.03%F.S。破坏载荷(E d)150%F.S。
灵敏度漂移温度系数0.05%F.S./10℃电缆线尺寸Φ4×4000毫米
零点漂移温度系数0.05%F.S./10℃布料不锈钢/合金钢
输入电阻780±10 Ω单位重量(G)
输出电阻700±5 Ω保护IP66

 


 

力的方向

接线方法

R118B 拉压双向测力传感器 2.pngR118B 拉压双向测力传感器 3.png


如果您想了解更多信息,请联系我们!

江苏省常州市新北区新桥街道汉江西路91号B612-59室