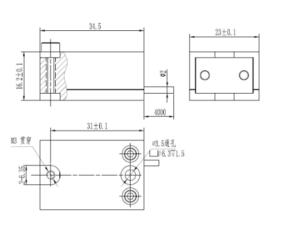
● 铝合金材料;
● 精度高,抗偏载能力强;
● 易于安装,IP65;
● 适用于电子秤、计数秤、电子天平和工业称重系统。
● 专利产品,侵权将追究;
● 应用领域:汽车装配、自动化装配、3C产品检测、新能源产品装配、医疗检测、机器人、模具装配等工业检测、测量和控制系统。

参数表
| 额定范围 | 10,25,30,550100150250500100g | 精度等级 | C3 |
| 输出灵敏度 | ≈1mV/V | 绝缘电阻 | ≥5000MΩ/100VDC |
| 零输出 | ±2%mV/V | 励磁电压 | 5~12V |
| 非线性 | 0.5%F.S。 | 最大励磁电压 | 15伏 |
| 滞后误差 | 0.5%F.S。 | 温度补偿范围 | -10~40℃ |
| 可重复性 | 0.5%MF.S。 | 工作温度范围 | -35-65℃ |
| 蠕变(30分钟) | 0.5%F.S。 | 安全过载 | 150%F。S |
| 灵敏度漂移温度系数 | 0.02%F.S./10℃ | 极限过载 | 300%F。S |
| 零点漂移温度系数 | 0.02%F.S./10℃ | 布料 | 铝 合金 |
| 输入电阻 | 350±20 Ω | 电缆尺寸 | φ2-4000mm |
| 输出电阻 | 350±10Ω | 保护 | IP65 |
力的方向 | 接线方法 |
![]() | ![]() |