●高度低,变形最小。;
● 由优质合金钢制成。
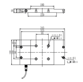
● 防护等级:IP66,可定制。
● 适用于各种小空间的测力,广泛应用于工业、研发等领域的测控目的。
● 应用领域:汽车装配、自动化装配、3C产品检测、新能源产品装配、医疗检测、机器人、模具装配等工业检测、测量和控制系统。

| 额定范围 | 30吨 | 绝缘电阻 | ≥5000米Ω/1000VDC |
| 输出灵敏度 | 1.5±20%mV/V | 励磁电压 | 5伏 |
零输出 | ±2%mV/V | 最大励磁电压 | 15伏 |
| 非线性 | 1%。S | 温度补偿范围 | -10-40℃ |
| 滞后误差 | 1%。S | 工作温度范围 | -20-60℃ |
| 可重复性 | 0.5%F.S。 | 安全过载 | 150F。S |
| 蠕变(30分钟) | 0.2%F.S。 | 极限过载 | 200%F。S |
| 灵敏度漂移温度系数 | 0.01%F/10℃ | 电缆线尺寸 | Φ5×10米 |
零点温度漂移 | 0.01%F/10℃ | 保护 | IP66 |
| 输入电阻 | 780±20Ω | 输出电阻 | 700±20Ω |
力的方向 | 接线方法 |
![]() | ![]() |