● 变形小,抗横向载荷能力强。
● 由不锈钢材料制成。
● 可用于工业抛光和抛光。
● 耐振动、精度高、长期稳定、可靠性好、耐疲劳、使用频率高、蠕变性能好、温度漂移低、动态响应频率高。
● 用于汽车压装、自动化装配、3C产品检测、新能源产品装配、医疗检测、机器人。
● 应用领域:汽车装配、自动化装配、3C产品检测、新能源产品装配、医疗检测、机器人、模具装配等工业检测、测量和控制系统。

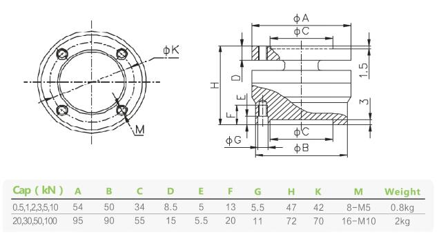
| 额定范围 | 0.5,1,2,3,5,10,20,30,5100千牛 | 绝缘电阻 | ≥5000 MΩ/100VDC |
| 体贴 | 1.5±10%mV/V | 励磁电压 | 5~15V |
| 零点平衡 | ±2%mV/V | 最大励磁电压 | 20伏 |
| 非线性 | 0.1%F.S。 | 温度补偿范围 | -10~60℃ |
| 滞后误差 | 0.1%F.S。 | 工作温度范围 | -10~80℃ |
| 可重复性 | 0.05%F.S。 | 安全负载(E L) | 150%F.S。 |
| 蠕变(30分钟) | 0.1%F.S。 | 破坏载荷(E d) | 300%F.S。 |
| 灵敏度漂移温度系数 | 0.05%F.S./10℃ | 电缆线尺寸 | φ4×3000毫米 |
| 零点漂移温度系数 | 0.05%F.S./10℃ | 布料 | 不锈钢 |
| 输入电阻 | 780±10Ω | 单位重量(G) | |
| 输出电阻 | 700±5Ω | 保护 | IP68 |
力的方向 | 接线方法 |
![]() | ![]() |