您的位置:首页 / 产品中心 / 力传感器 / 压力

压力

DUR214微型压向力传感器

产品分类:压力

微负载按钮传感器(micro)由17-4 PH不锈钢制成,提供50N至1000N的范围。它有一个增加的表面半径,以减少偏心载荷的可能性,并表现出高的动态响应频率。
0519-83877922

特性和用途

● 超薄设计,高度低,变形小,外形尺寸小。高精度。

● 由不锈钢材料制成,可针对高温进行定制。

● 可定制的防护等级:IP67。

● 高动态响应频率。

● 用于汽车压装、自动化组装、3C产品测试、新能源产品组装、医疗测试和机器人。

● 精度高、长期稳定、可靠性好、抗疲劳、使用频率高、蠕变性能好、温度漂移低、动态响应频率高。

● 应用领域:汽车装配、自动化装配、3C产品检测、新能源产品装配、医疗检测、机器人、模具装配等工业检测、测量和控制系统。

 


 

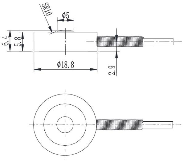
安装尺寸

R214 微型压向力传感器 1.jpg


 

参数表

额定范围501002005001000 N绝缘电阻≥5000 MΩ/100VDC
体贴1.5±10%mV/V 励磁电压5~15V
零点平衡±0.05 mV/V最大励磁电压20伏
非线性0.2%F.S。温度补偿范围-10~60℃
滞后误差0.2%F.S。工作温度范围-20~80℃
可重复性0.1%F.S。安全负载(E L)150%F.S。
蠕变(30分钟)0.1%F.S。破坏载荷(E d)200%F.S。
灵敏度漂移温度系数0.05%F.S./10℃电缆线尺寸φ3×4000毫米
零点漂移温度系数0.05%F.S./10℃布料不锈钢
输入电阻700±10Ω单位重量(G)
输出电阻700±10Ω保护IP67
(可自定义)

 

力的方向

接线方法

R214 微型压向力传感器 2.jpgR214 微型压向力传感器 3.png


如果您想了解更多信息,请联系我们!

江苏省常州市新北区新桥街道汉江西路91号B612-59室