您的位置:首页 / 产品中心 / 力传感器 / 称重传感器

称重传感器

DUR215支脚传感器

产品分类:称重传感器

本产品适用于电子秤、计数秤、电子天平及工业称重系统,具有较强的抗偏心载荷能力。
0519-83877922

特性和用途

● 高度低,变形最小。易于安装。

● 不锈钢/合金钢材料。

● 可以取代传统的台秤和地秤的调节脚。

● 适用于各种小空间的力测量,广泛应用于工业、研发领域的测量和控制目的。

● 专利产品,侵权将追究

● 应用领域:汽车装配、自动化装配、3C产品检测、新能源产品装配、医疗检测、机器人、模具装配等工业检测、测量和控制系统。

 


 

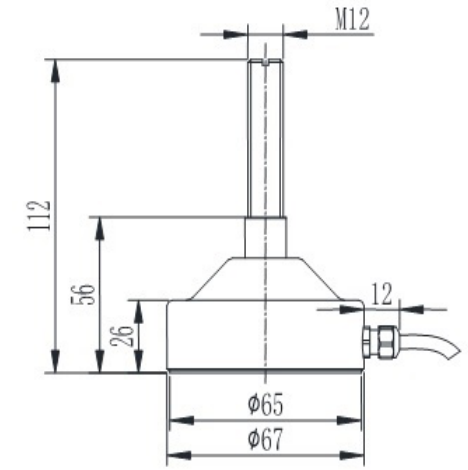
安装尺寸

R215 称重传感器 1.png


 

参数表

额定范围0.5,1,1.5,2,2.5吨 绝缘电阻≥5000 MΩ/100VDC
体贴2.0±0.1%mV/V励磁电压5~15伏
零点平衡±0.03 mV/V最大励磁电压20伏
非线性0.05%F.S。温度补偿范围-10〜60℃
滞后误差0.05%F.S。工作温度范围-20〜80℃
可重复性0.02%F.S。安全负载(E L)150%F.S。
蠕变(30分钟)0.05%F.S。破坏载荷(E d)200%F.S。
灵敏度漂移温度系数0.05%F.S./10℃电缆线尺寸φ4×4000毫米
零点漂移温度系数0.05%F.S./10℃布料
输入电阻780±20Ω单位重量(G)
输出电阻700±10Ω保护IP67

 


 

力的方向

接线方法

R215 称重传感器 2.pngR215 称重传感器 3.png


如果您想了解更多信息,请联系我们!

江苏省常州市新北区新桥街道汉江西路91号B612-59室