● 采用不锈钢材料制成,稳定性强
● 适用于各种环境,IP68
● 主要用于工业称重系统,如食品和制药行业的称重系统
● 应用领域:汽车装配、自动化装配、3C产品检测、新能源产品装配、医疗检测、机器人、模具装配等工业检测、测量和控制系统。

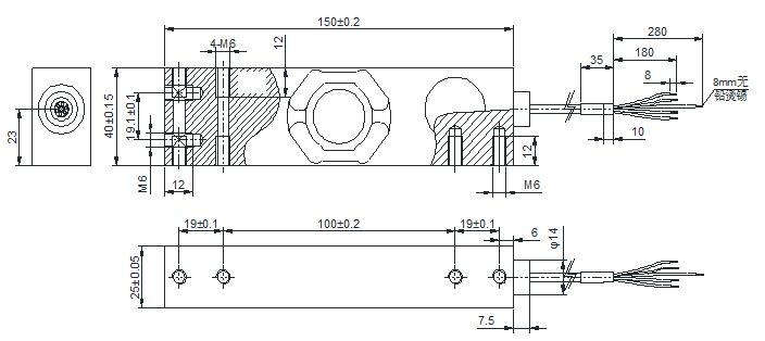
| 额定容量 | 10,20,5100千克 | 绝缘电阻 | ≥5000 MΩ/100VDC |
| 精度等级 | C3 | 励磁电压 | 5伏 |
| 零输出 | ±5%F.S。 | 最大励磁电压 | 12伏 |
| 非线性 | 0.0166%F.S。 | 温度补偿范围 | -10~40℃ |
| 滞后误差 | 0.0166%F.S。 | 工作温度范围 | -10~50℃ |
| 可重复性 | 0.018%F.S。 | 安全负载(E L) | 150%F.S。 |
| 蠕变(30分钟) | 0.0166%F.S。 | 破坏载荷(E d) | 200%F.S。 |
| 灵敏度漂移温度系数 | 0.0175%F.S./10℃ | 电缆线尺寸 | φ6×2000毫米 |
| 零点漂移温度系数 | 0.0125%F.S./10℃ | 布料 | 0.5千克 |
| 输入电阻 | 390±5Ω | 单位重量(G) | 不锈钢(不锈钢) |
| 输出电阻 | 350±5Ω | 保护 | IP68 |
| 输出灵敏度 | 1.5±10%mV/V (5公斤) 2.0±10%mV/V | 最大秤盘尺寸 | 500mm×400mm |
力的方向 | 接线方法 |
![]() | ![]() |