● 不锈钢材质,稳定性强。
● 适用于各种环境,IP68。
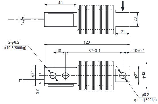
● 主要用于包装秤、料斗秤和各种工业称重系统。
● 应用领域:汽车装配、自动化装配、3C产品检测、新能源产品装配、医疗检测、机器人、模具装配等工业检测、测量和控制系统。

| 额定范围 | 5,10,20,30,500200500千克 | 绝缘电阻 | ≥5000 MΩ/100VDC |
| 精度等级 | C3 | 励磁电压 | 5~15伏 |
| 零输出 | ±2%F。S | 最大励磁电压 | 20伏 |
| 非线性 | 0.018%F.S。 | 温度补偿范围 | -10〜40℃ |
| 滞后误差 | 0.017%F.S。 | 工作温度范围 | -20〜60℃ |
| 可重复性 | 0.018%F.S。 | 安全负载(E L) | 150%F.S。 |
| 蠕变(30分钟) | 0.0166%F.S。 | 破坏载荷(E d) | 200%F.S。 |
| 灵敏度漂移温度系数 | 0.008%F.S./10℃ | 电缆线尺寸 | φ5.4×3.15m |
| 零点漂移温度系数 | 0.0125%F.S./10℃ | 布料 | 0.5千克 |
| 输入电阻 | 390±5Ω | 单位重量(G) | 不锈钢 |
| 输出电阻 | 350±2Ω | 保护 | IP68 |
| 输出灵敏度 | 2.0±0.05mV/V |
力的方向 | 接线方法 |
![]() | ![]() |