
● 5倍过载能力,高度低,变形最小,安装方便。
● 双向拉伸和压缩测量。
● 主要用于推拉力测量、料斗秤和各种工业称重系统。
● 适用于按钮力测试、接触力测试、汽车装配、自动化装配、3C产品测试、新能源产品装配、医疗测试、机器人和模具装配。
● 应用领域:汽车装配、自动化装配、3C产品检测、新能源产品装配、医疗检测、机器人、模具装配等工业检测、测量和控制系统。

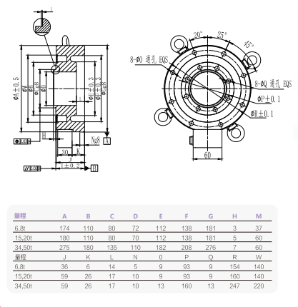
| 额定范围 | 请参考表格 | 绝缘电阻 | ≥5000米Ω/100VDC |
输出灵敏度 | 4-20mA/0-10V | 励磁电压 | 24伏 |
零输出 | ±3%。S | 温度补偿范围 | -10-40℃ |
| 非线性 | 0.5%F.S。 | 工作温度范围 | -20-60℃ |
| 滞后误差 | 0.5%F.S。 | 安全过载 | 150%F。S |
| 可重复性 | 0.5%F.S。 | 极限过载 | 200%F。S |
| 蠕变(30分钟) | 0.5%F.S。 | 保护 | IP66 |
| 灵敏度漂移温度系数 | 0.5%F.S。/10℃ | 电缆尺寸 | Φ6x5米 |
| 零点漂移温度系数 | 0.5%F.S。/10℃ | ||
力的方向 | 接线方法 |
![]() | ![]() |