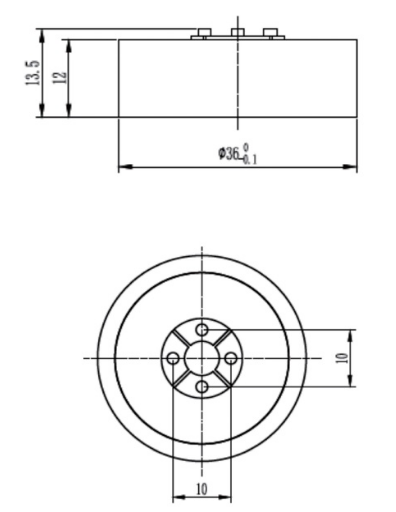
● 不锈钢材料
● 测量精度高、稳定可靠。
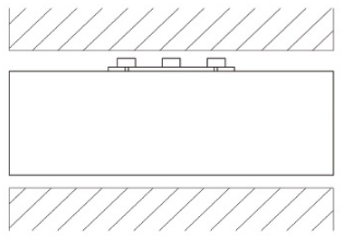
● 用于上下模具、工装夹具、平行度测试等场合。
● 可定制各种规格。
● 应用领域:汽车装配、自动化装配、3C产品检测、新能源产品装配、医疗检测、机器人、模具装配等工业检测、测量和控制系统。

| 额定范围 | 50100200500 N | 绝缘电阻 | ≥5000 MΩ/100VDC |
| 体贴 | 0.5±20%mV/V | 励磁电压 | 5伏 |
| 零点平衡 | ±2%F.S。 | 最大励磁电压 | 10伏 |
| 非线性 | 0.05%F.S。 | 温度补偿范围 | -10~60℃ |
| 滞后误差 | 0.05%F.S。 | 工作温度范围 | -20~80℃ |
| 可重复性 | 安全负载(E L) | 150%F.S。 | |
| 蠕变(30分钟) | 破坏载荷(E d) | 300%F.S。 | |
| 灵敏度漂移温度系数 | 0.05%F.S./10℃ | 电缆线尺寸 | φ3×3000毫米 |
| 零点漂移温度系数 | 0.05%F.S./10℃ | 布料 | |
| 输入电阻 | 350±10Ω | 单位重量 | |
| 输出电阻 | 350±10Ω | 保护 | IP66 |
力的方向 | 接线方法 |
![]() | ![]() |