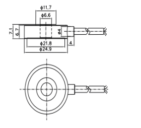
● 外形小巧,变形最小。
● 由不锈钢材料制成。
● 防护等级:IP66,可定制。
● 应用:汽车冲压、自动化装配、3C产品测试、新能源产品装配、医疗测试、机器人、模具装配等工业测量、测试和控制系统。
● 高动态响应频率。
● 应用领域:汽车装配、自动化装配、3C产品检测、新能源产品装配、医疗检测、机器人、模具装配等工业检测、测量和控制系统。

| 额定范围 | 501002005001000n | 绝缘电阻 | ≥5000米Ω/100VDC |
| 输出灵敏度 | 1.5±20%mV/V | 励磁电压 | 5-15伏 |
零输出 | ±0.05mV/V | 最大励磁电压 | 15伏 |
非线性 | 0.50%F.S。 | 温度补偿范围 | -10~60℃ |
| 滞后误差 | 0.20%F.S。 | 工作温度范围 | -20-80℃ |
| 可重复性 | 0.20%F.S。 | 安全载荷 | 150%F。S |
| 蠕变(30分钟) | 0.20%F.S。 | 破坏载荷 | 200%F。S |
| 灵敏度漂移温度系数 | 0.05%F.S./10℃ | 电缆线尺寸 | φ3×4000毫米 |
| 零点漂移温度系数 | 0.05%F.S./10℃ | 单位重量 | 0.1千克 |
| 输入电阻 | 700±20Ω | 布料 | (不锈钢) |
| 输出电阻 | 700±10Ω | 保护 | IP66 |
力的方向 | 接线方法 |
![]() | ![]() |