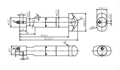
● 5倍过载能力,高度低,变形最小,安装方便。
● 双向拉伸和压缩测量。
● 主要用于推拉力测量、料斗秤和各种工业称重系统。
● 适用于按钮力测试、接触力测试、汽车装配、自动化装配、3C产品测试、新能源产品装配、医疗测试、机器人和模具装配。
● 应用领域:汽车装配、自动化装配、3C产品检测、新能源产品装配、医疗检测、机器人、模具装配等工业检测、测量和控制系统。

| 额定范围 | 20吨 | 绝缘电阻 | ≥5000米Ω/100VDC |
输出灵敏度 | ±0.2mV/V | 励磁电压 | 5-12V |
零输出 | ±1%。S | 最大励磁电压 | 15伏 |
| 非线性 | 0.1%F.S。 | 温度补偿范围 | -10~60℃ |
| 滞后误差 | 0.1%F.S。 | 工作温度范围 | -40-80℃ |
| 可重复性 | 0.03%F.S。 | 安全过载 | 150%F。S |
| 蠕变(30分钟) | 0.05%F.S。 | 极限过载 | 300%F。S |
| 灵敏度漂移温度系数 | 0.05%F/10℃ | 保护 | IP66 |
| 零点漂移温度系数 | 0.03%F.S/10℃ | 电缆尺寸 | φ6x1米 (防水电缆) |
输入电阻 | 780±20Ω | 使用寿命 | 100万次 |
输出电阻 | 700±10Ω | ||
力的方向 | 接线方法 |
![]() | ![]() |