
●精度高,抗偏置负载能力强
● 过载保护,用于RS-485、以太网和EtherCAT通信的内置通信板。
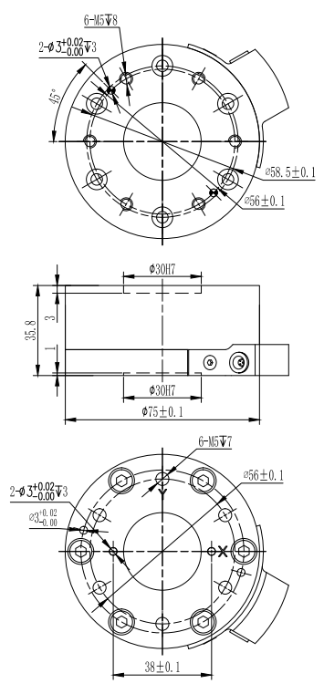
●易于安装,IP66
●接受自定义规范
●机械臂的精密控制、表面研磨和抛光、加工中心的精密加工、医疗器械的精密测试。

| 作用力特性 | 单元 | A1 | A2 | C1 | C2 | C3 | D1 | D2 | D3 | D4 |
| 力Fxy | N | 150 | 300 | 750 | 1000 | 1500 | 2000 | 2500 | 3000 | 5000 |
| 力Fz | N | 350 | 700 | 1800 | 2400 | 3600 | 5000 | 6000 | 7350 | 10000 |
| 扭矩Mxy | N-m | 4 | 6 | 18 | 24 | 35 | 45 | 60 | 70 | 300 |
| 扭矩Mz | N-m | 10 | 18 | 48 | 64 | 95 | 125 | 160 | 190 | 500 |
| 参数 | 规格 | 技巧 |
| 额定范围 | 标称载荷 | 请参考表格 |
| 整体精度 | 组合错误 | 0.5%F.S。 |
| 绝缘电阻 | 隔热 | ≥2000M9/50VDC |
| 励磁电压 | 推荐励磁 | 5伏 |
| 最大励磁电压 | 最大励磁 | 15伏 |
| 温度补偿范围 | 补偿温度范围 | -10~40℃ |
| 工作温度范围 | 操作温度范围 | -20~60℃ |
| 极限过载 | 极限过载 | 200%F。S |
| 电缆长度 | 电缆长度 | 4000mm(高柔电缆) |
| 布料 | 布料 | 不锈钢 |
| 防护等级 | 防护等级 | IP66 |
| 过载能力 | 铝合金 | 17-4不锈钢 |
| Fxy | 200% | 200% |
| Fz | 200% | 200% |
| Mxy | 200% | 200% |
| Mz | 200% | 200% |
| 刚度(计算) | 铝合金 | 17-4不锈钢 |
| X轴和Y轴力(Kx,Ky) | 3.4x106 N/m | 3.4x106 N/m |
| Z轴力(Kz) | 1.3x107 N/m | 1.3x107 N/m |
| X轴和Y轴扭矩(Kmx,Kmy) | 2.7x103 N/m | 2.7x103 N/m |
| Z轴扭矩(Kmz) | 1.1x104 N/m | 1.1x104 N/m |
注:
1.过载能力和刚度可根据需要定制。
2.输出分辨率为0.1%,支持EtherCAT和以太网两种通信方式。数据可以直接读取,采样频率为1kHz。
力的方向 |
![]() |
注:
1.传感器的固定参考系位于传感器下表面的中心。
2.传感器的相对参考系统的原点位于上表面的中心。