● 精度高,抗偏心负载能力强。;
● 易于安装,IP 66;
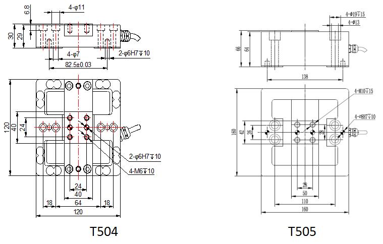
● 可定制的规格
● 机械臂的精确控制,曲面磨削和抛光,加工中心的精密雕刻,医疗设备的精确测量。
● 应用领域:汽车装配、自动化装配、3C产品检测、新能源产品装配、医疗检测、机器人、模具装配等工业检测、测量和控制系统。

参数表参数表
| 额定范围 | X: 50/100/200/500/1000/2000 /5000/10000/20000/30000 Y: 50/100/200/500/1000/2000 /5000/10000/20000/30000 Z: 50/100/200/500/1000/2000 /5000/10000/20000/30000 | 绝缘电阻 | ≥5000MΩ/100VDC |
| 体贴 | ≈1.0 mV/V | 励磁电压 | 5〜12V |
| 零点平衡 | ±2%F.S。 | 最大励磁电压 | 15伏 |
| 非线性 | 0.1%F.S。 | 温度补偿范围 | -10~40℃ |
| 滞后误差 | 0.3%F.S。 | 工作温度范围 | -20~75℃ |
| 可重复性 | 0.1%F.S。 | 安全负载(E L) | 150%F.S。 |
| 蠕变(30分钟) | 0.1%F.S。 | 破坏载荷(E d) | 300%F。S |
| 灵敏度漂移温度系数 | 0.1%F.S/10℃ | 电缆线尺寸 | φ6x4000毫米 |
| 零点漂移温度系数 | 0.1%F.S/10℃ | 布料 | |
| 输入电阻 | 780±20 Ω | 单位重量(G) | |
| 输出电阻 | 700±10 Ω | 保护 | IP66 |
力的方向 | 接线方法 |
![]() | ![]() |