● 由电阻应变计和集成电路组成的集成产品,通过滑环实现供电和信号输出。
● 适用于中低量程扭矩测量。可以测量正扭矩值和负扭矩值。
● 两端的键连接便于安装和使用。最大转速为1800转/分。
● 应用领域:汽车装配、自动化装配、3C产品检测、新能源产品装配、医疗检测、机器人、模具装配等工业检测、测量和控制系统。

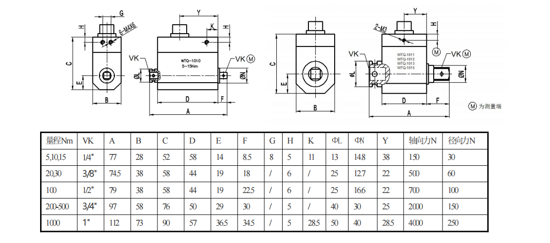
额定容量 | 5,10,20,51002003005001000牛米 | 输出电阻 | 350700±5Ω |
输出灵敏度 | 1.5±10%mV/V | 励磁电压 | 10伏直流电(9-15伏直流电) |
零输出 | ±1%。S | 绝缘电阻 | ≥5000米Ω/100VDC |
| 非线性 | ±0.1,0.3%F.S。 | 温度补偿范围 | -10~60℃ |
| 滞后误差 | ≤±0.05%F.S。 | 工作温度范围 | -20~65℃ |
| 可重复性 | ≤±0.05%F.S。 | 安全过载 | 150%F。S |
| 蠕变(30分钟) | ≤±0.03%F.S/30分钟 | 极限过载 | 200%F。S |
| 灵敏度漂移温度系数 | 0.03%F.S。/10℃ | 保护 | IP67 |
| 零点漂移温度系数 | 0.03%F.S。/10℃ | 电缆线尺寸 | Φ5.2×3米 |
| 输入电阻 | 350750±10Ω | ||
接线方法 |
![]() ![]() |