● 由电阻应变仪和集成电路组成的集成产品
● 高精度,性能稳定可靠
● 无滑环等磨损,可在输出正负扭矩信号的情况下高速、长时间运行
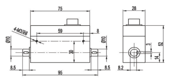
● 两端的键连接
● 最大转速不超过4000转/分
● 应用领域:汽车装配、自动化装配、3C产品检测、新能源产品装配、医疗检测、机器人、模具装配等工业检测、测量和控制系统。

| 额定范围 | 0.1,0.2,0.3,0.5,1,2,3,5 N.m | 绝缘电阻 | ≥2000 MΩ/100VDC |
| 体贴 | 1.0~1.5 mV/V | 励磁电压 | ±12伏 |
| 零点平衡 | ±1%F.S。 | 最大励磁电压 | 20伏 |
| 非线性 | 0.2%F.S。 | 温度补偿范围 | -10~60℃ |
| 滞后误差 | 0.2%F.S。 | 工作温度范围 | -30~60℃ |
| 可重复性 | 0.1%F.S。 | 安全负载(E L) | 120%F.S。 |
| 蠕变(30分钟) | 0.2%F.S。 | 破坏载荷(E d) | 150%F.S。 |
| 灵敏度漂移温度系数 | 0.1%F.S/10℃ | 电缆线尺寸 | 3000米 |
| 零点漂移温度系数 | 0.1%F.S/10℃ | 布料 | |
| 输入电阻 | 350±10Ω | 单位重量 | |
| 输出电阻 | 350±10Ω | 保护 | IP66 |
力的方向 | 接线方法 |
![]() | ![]() |