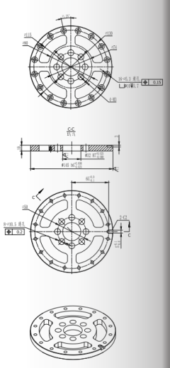
特点及应用
●精度高,抗偏心负载能力强。
●易于安装,IP65
●接受自定义规范
●机械臂的精密控制、表面研磨和抛光、加工中心的精密加工、医疗器械的精密测试。

额定范围 | 标称(额定)扭矩Mnom | 900牛米 |
输出灵敏度 | 标称(额定)灵敏度 | 1.0±10%m五、/五、 |
零输出 | 零平衡 | ±0.05m五、/五、 |
| 非线性 | 非线性 | 0.5%F.S。 |
| 磁滞 | 磁滞 | 0.5%F.S。 |
| 可重复性 | 可重复性 | 0.3%F.S。 |
| 蠕变(30分钟) | 蠕变(5分钟) | 0.3%F.S。 |
| 灵敏度漂移温度系数 | 温度对输出的影响 | 0.05%F.S。/10℃ |
| 零点漂移温度系数 | 温度对零点的影响 | 0.05%F.S。/10℃ |
| 输入电阻 | 输入阻抗 | 2000±20Ω |
输出电阻 | 输出阻抗 | 2000±10Ω |
绝缘电阻 | 隔热 | ≥5000MΩ/100VDC |
励磁电压 | 推荐励磁 | 5~12V |
最大励磁电压 | 最大励磁 | 15伏 |
温度补偿范围 | 补偿温度范围 | -10~60℃ |
工作温度范围 | 操作温度范围 | -20-80℃ |
安全过载 | 安全过载 | 150%F。S |
极限过载 | 极限过载 | 200%F。S |
防护等级 | 防护等级 | IP65 |
接线图 |
![]() |